转换梁设计尚应符合下列规定:
1,转换梁与转换柱截面中线宜重合。
2,转换梁截面高度不宜小于计算跨度的1/8。托柱转换梁截面宽度不应小于其上所托柱在梁宽方向的截面宽度。框支梁截面宽度不宜大于框支柱相应方向的截面宽度,且不宜小于其上墙体截面厚度的2倍和400mm的较大值。
3,转换梁截面组合的剪力设计值应符合下列规定:
持久、短暂设计状况 (10.2.8-1)
地震设计状况 (10.2.8-2)
4,托柱转换梁应沿腹板高度配置腰筋,其直径不宜小于12mm、间距不宜大于200mm。
5,转换梁纵向钢筋接头宜采用机械连接,同一连接区段内接头钢筋截面面积不宜超过全部纵筋截面面积的50%,接头位置应避开上部墙体开洞部位、梁上托柱部位及受力较大部位。
6,转换梁不宜开洞。若必须开洞时,洞口边离开支座柱边的距离不宜小于梁截面高度;被洞口削弱的截面应进行承载力计算,因开洞形成的上、下弦杆应加强纵向钢筋和抗剪箍筋的配置。
7,对托柱转换梁的托柱部位和框支梁上部的墙体开洞部位,梁的箍筋应加密配置,加密区范围可取梁上托柱边或墙边两侧各1.5倍转换梁高度;箍筋直径、间距及画积配筋率应符合本规程第10.2.7条第2款的规定。
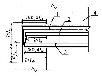
8,框支剪力墙结构中的框支梁上、下纵向钢筋和腰筋(图10.2.8)应在节点区可靠锚固,水平段应伸至柱边,且非抗震设计时不应小于0.4lab,抗震设计时不应小于0.4labE,梁上部第一排纵向钢筋应向柱内弯折锚固,且应延伸过梁底不小于la(非抗震设计)或laE(抗震设计);当梁上部配置多排纵向钢筋时,其内排钢筋锚入柱内的长度可适当减小,但水平段长度和弯下段长度之和不应小于钢筋锚固长度la(非抗震设计)或laE(抗震设计)。
9,托柱转换梁在转换层宜在托柱位置设置正交方向的框架梁或楼面梁。
图10.2.8 框支梁主筋和腰筋的锚固
1一梁上部纵向钢筋;2一梁腰筋;3—梁下部纵向钢筋;4一上部剪力墙;
抗震设计时图中la、lab分别取为laE、labE
【程序实现】
程序对转换梁截面组合剪力的设计值按照规范自动执行,程序自动判断转换梁的剪力组合是否是地震作用参与的组合,并按照规范公式进行相关的验算并输出结果。
如上述图10.2.7-1中的抗剪验算的结果为:0.03,该组合对应的37为地震作用参与的组合,按照规范的表达式进行复核为:0.15*1.0/(0.85)=0.18,JYB=V/[11.9*1000*(600-30-10-12.5)]=196300/6515250=0.03,手工校核结果与软件输出的计算结果一致,输出如下的计算结果信息JYB= 0.03<0.18。(注意:该梁的保护层厚度为30mm,抗震承载力调整系数rRe=0.85)
【关键词】转换梁最小配筋率;转换梁最小面积配筋率;转换梁剪压比;

QQ好友
新浪微博
微信扫一扫