第一章概述
预应力混凝土结构设计软件PREC是PKPM系列的一个功能模块。它包括预应力筋的线型自动设计,预应力结构分析计算及施工图辅助设计。
PREC软件采用PMCAD的全楼模型数据和荷载数据,并在此基础上补充预应力设计的相关信息,然后进行计算。预应力筋线型既可人工设计,也可根据结构布置和荷载状况自动生成。
对普通的以预应力梁为主的结构形式,PREC软件为用户提供了三维整体分析和二维框架和连续梁计算的两种计算分析模型。对不同的结构形式、不同的设计目标用户可任意选择使用。对预应力板柱结构体系,用户可使用SlabCAD软件进行计算设计。
预应力三维计算模型是在高层建筑结构空间有限元分析软件SATWE的基础上扩展预应力计算功能而完成的,因此,用户必须首先拥有一套SATWE软件,才可以使用PREC软件的三维计算功能。程序在PMCAD建模后,通过人工或自动布置各层梁的预应力筋线型,自动生成供三维分析用的等效荷载。应用SATWE软件的核心计算模块对等效荷载进行计算分析,获得结构的综合内力和次内力,组合SATWE的恒、活、风、地震作用后,进而确定出预应力筋和非预应力钢筋的用量。三维分析计算完成后,可接续绘出预应力梁的施工图。
预应力二维计算模型是在PK基础上扩展预应力计算功能而完成的。它为用户提供了预应力框架的二维框架和连续梁计算,再接力画出预应力梁的施工图。程序在PMCAD建模并完成各层梁的预应力筋线型布置后,生成各榀框架和连续梁的预应力计算数据文件。程序同时可以读取PK的数据文件,再补充输入预应力计算信息,或用交互方式直接输入一榀框架后,生成PREC可计算的数据文件。对每一榀框架和连续梁分别执行二维计算程序,最终计算出梁的预应力和非预应力钢筋,经过适当的人工干预修改,再分别画出施工图。
PREC软件可处理的预应力筋线型有抛物线型、折线型、直线型、直线型与抛物线型的组合线型等八种线型。每个构件上可布置多种线型,以适应构件承担的不同的荷载状况。张拉点位置可在梁端任意设置。
预应力混凝土梁的施工图是在PK二维梁施工图上扩展预应力筋内容而成。PREC软件施工图部分给出了梁预应力筋线型图,束形图及普通钢筋的配筋图。在正确选择锚具后,可进行局部承压验算,并可绘出张拉端,锚固端的大样图,给出材料统计表。
由于兼容了PKPM系列主要模块的原有功能,操作简便,自动化程度较高,便于用户学习掌握。
本预应力软件的编制中采用了多种先进技术,使其能适应各种结构和各种类型构件。如在三维结构的有限元分析中,采用了可考虑板梁与柱之间相互约束减弱效应的刚度矩阵,因此本软件能够正确计算化成等代框架的板柱体系。又如在挠度计算中,可准确计算出超静定结构中各种类型等刚度、变刚度杆件任意点的挠度,克服了一般软件在计算弯矩变号的混凝土梁、产生裂缝后的预应力梁和变截面梁挠度时无法避免的困难。此外在结构计算上,软件增加了变截面杆件的单元刚度矩阵,因此可准确地计算出加腋梁、变截面杆件的内力。
三维结构计算采用空间模型,可全面计算交叉梁系之间,墙、柱、梁之间的整体约束作用,对全楼计算一次得出结果,效率大大提高。
本软件的有关计算公式、计算方法满足《无粘结预应力混凝土结构技术规程》、《混凝土结构设计规范》的要求,同时可根据用户要求和有关规范的修订,随时增加各种新的计算方法和公式。
第二章预应力混凝土软件PREC技术条件
1概述
预应力混凝土是采用高强度钢材和较高强度的混凝土通过张拉预应力筋,使混凝土截面产生一定的预压应力,来局部或全部抵消使用荷载下的应力。它具有以下优点:
1、改善使用阶段的性能。受拉或受弯构件中采用预应力,可延缓裂缝出现并降低外荷载较大时的裂缝开展宽度,也可减小使用荷载下的结构挠度,因此,预应力混凝土被广泛应用于大跨度、大空间、重荷载、转换层结构、特种结构中。
2、提高受剪承载力。混凝土中产生的预压应力可延缓构件中斜裂缝的形成,提高其受剪承载力。
3、充分利用高强度钢材,减轻结构自重。预应力混凝土技术,通过改善结构使用阶段的性能,充分利用了高强度钢材的潜能,节省了钢材用量,减小截面尺寸和混凝土用量,减轻结构自重。
本预应力混凝土软件为结构设计人员更多的了解和使用预应力混凝土结构提供了工具,它是在PK软件及SATWE软件基础上开发编制的。它可对有粘结及无粘结预应力三维梁柱结构,预应力框架、连续梁和化成等代框架的板柱体系进行结构设计与施工图绘制。本软件功能齐全,自动化程度高,且具有较高的灵活性。
交互输入部分可根据结构荷载和抗裂要求自动选择预应力线型,并可在一根梁上布置多种预应力线型。预应力计算分析包括:正常使用极限状态下截面标准组合,准永久组合内力,预应力各项损失,预应力综合内力与次内力,自动确定预应力与非预应力筋的用量,开裂验算,挠度及裂缝计算,冲切验算,承载力极限状态下截面强度验算及施工阶段验算等内容。施工图部分自动绘出梁的预应力筋线型图,束形图及普通钢筋配筋图及剖面图,张拉端,锚固端的大样图。
2内力计算及预应力自动计算过程
2.1标准组合,准永久组合弯矩计算
荷载标准组合、准永久组合弯矩 Mk、Mq
Mq=Mdl+Mll*y
Mk=Mdl+Mll
Mk=Mdl+ Mw
Mk=Mdl+ψclMll+Mw
Mk=Mdl+Mll+ψcwMw
Mdl---恒载产生的弯矩标准值
Mll---活荷载产生的弯矩标准值
Mw ---风载产生的弯矩标准值
y---活荷载准永久值系数
ycl---活荷载组合值系数
ycw---风荷载组合值系数
2.2预应力各项损失值计算
预应力损失考虑:锚具回缩损失sL1,摩擦损失sL2,预应力钢筋的应力松弛损失sL4及混凝土收缩和徐变引起的损失sL5。此外还有后批张拉引起的混凝土弹性压缩损失,在施工中考虑。各项损失计算方法如下:
(1) 锚具回缩损失sL1
a. 当为直线预应力束时
sL1=a´Ep/L
a ---张拉端锚具变形和预应力筋内缩值(mm)
L ---张拉端至固定端之间的距离(mm)
Ep---预应力筋弹性模量(N/mm2)
b. 当预应力筋为曲线束或折线束时由于锚具变形和预应力筋内缩引起的预应力损失值,根据预应力曲线筋或折线筋与壁之间反向摩擦影响长度Lf范围内的预应力筋变形值等于锚具变形和预应力筋内缩值的条件确定,反向摩擦系数取等于正向摩擦系数。
c. 抛物线形预应力筋近似按圆弧曲线考虑。当其对应的圆心角q不大于30度时,预应力损失计算公式为:
反向摩擦影响长度(m)按下式计算:
式中:
scon---预应力筋张拉控制应力(N/mm2);
gc ---曲线预应力筋的曲率半径(m);
m ---预应力筋与孔道壁之间的摩擦系数
k ---预应力筋壁(每米)局部偏差对摩擦的影响系数
x ---张拉端至计算截面的距离(m),且应符合x£ Lf的规定
d.端部为直线(直线长度为l0),而后由两条圆弧形曲线组成预应力筋,由于锚具变形和钢筋内缩,在反向摩擦影响长度Lf范围内的预应力损失计算公式为:
当x≤l0时
当l0<x≤l1时
当l1<x≤lf时
反向摩擦影响长度(m)按下式计算:
式中:
l1---预应力钢筋张拉端起点至反弯点的水平投影长度;
i1,i2---第一二段圆弧形曲线预应力钢筋中应力近似直线变化的斜率;
γc1,γc2---第一二段圆弧形曲线预应力钢筋的曲率半径;
σa ,σb---预应力钢筋在a、b点的应力;
e.当折线形预应力钢筋的锚固损失消失于折点c之外时,由于锚具变形和钢筋内缩,在反向摩擦影响长度Lf范围内的预应力损失计算公式为:
当x≤l0时
当l0<x≤l1时
当l1<x≤lf时
反向摩擦影响长度(m)按下式计算:
式中:
i1---预应力钢筋在bc段中应力近似直线变化的的斜率;
i2---预应力钢筋在折点c以外应力近似直线变化的的斜率;
l1---张拉端起点至预应力钢筋折点c的水平投影长度;
(2) 预应力摩擦损失sL2(N/mm2)
x---从张拉端至计算截面的曲线长度(m)
q---从张拉端至计算截面曲线部分切线夹角(Rad)的总和
φ---张拉端锚口摩擦损失占张拉控制应力的百分比值
(3)预应力松弛损失sL4(N/mm2)
预应力钢丝,钢绞线,中强度预应力钢丝
普通松弛:
scon/fptk£0.5时sl4=0
低松弛:
当时:
当时:
(4)混凝土收缩、徐变引起的预应力损失sL5(N/mm2)
式中:
spc---受拉区预应力钢筋合力点处砼法向压应力;
---施加预应力时的混凝土立方体抗压强度;
r ---配筋率,受拉区预应力筋和非预应力筋截面面积之和与构件净截面面积的比值。对于对称配置预应力筋和非预应力钢筋的构件,配筋率按其钢筋截面面积的一半进行计算。
计算预应力筋合力点处砼法向压应力spc时,预应力损失值仅考虑砼预压前(第一批)的损失sL1与sL2之和;
spc值不得大于0.5
计算砼法向压应力spc时,根据构件制作情况,考虑自重的影响。
2.3预应力效应计算
预应力效应采用等效荷载法进行计算,即把预应力等效为荷载施加于结构上,并用PK或SATWE核心计算模块进行计算,各种预应力束形对应的等效荷载见图1。等效荷载计算时所用的有效预加力Npe值,取用每根梁13个截面(二维)或9个截面(三维)有效预加力的平均值,即:
Npe=åNpei/n (i=1,n) n=13或9
预应力等效荷载产生的弯矩称为综合弯矩MR,预应力荷载引起的梁变形受约束而产生的弯矩称为预应力次弯矩 M2,综合弯矩与次弯矩存在如下关系:
MR= M1+ M2
M1= Npe´e 称为主弯矩
图1预应力引起的等效荷载
2.4截面抗裂验算
预应力混凝土构件应根据2010混凝土规范第7.1.1条的规定,按所处环境类别和结构类别确定相应的裂缝控制等级及最大裂缝宽度限制,程序允许用户输入三个抗裂等级:
1、一级---严格要求不出现裂缝的构件
在荷载效应的标准组合下:
2、二级---一般要求不出现裂缝的构件
在荷载效应的标准组合下:
式中:
---荷载效应的标准组合效应下截面拉应力(N/mm2)
--荷载效应的标准组合弯矩(KNm)
---预应力综合弯矩(KNm)
---混凝土截面受拉边缘的截面模量(mm3)
---混凝土抗拉强度标准值
---混凝土截面面积
---计算截面预应力筋有效预加力 (KN)
---次轴力 (KN)
3、三级---允许出现裂缝的构件
按荷载效应的标准组合并考虑长期作用影响的最大裂缝宽度应符合下式:
对环境类别为二a类的预应力混凝土构件,在准永久组合下,应符合下式:
式中:
---荷载效应的准永久组合效应下截面拉应力(N/mm2)
---荷载效应的准永久组合弯矩(KNm)
2.5预选预应力筋
(1)预应力筋截面面积按下列公式估算:
---预应力筋截面面积;
---预应力筋张拉控制应力;
---预应力筋总损失估算值;
---预应力筋有效预加力;
(2)根据结构类型和正截面抗裂验算要求,预应力筋有效预加力,按下列两个公式进行估算,并取其计算结果的较大值:
---荷载效应的标准组合,准永久组合下的混凝土拉应力限值;
---预应力筋重心对截面重心的偏心距;
---系数,对简支结构取
;对连续结构的负弯矩截面,取
,对连续结构的正弯矩截面,取
。
(3)对按三级允许出现裂缝控制的无粘结预应力混凝土连续梁和框架,按下述经修正和提高后的名义拉应力值控制裂缝宽度:
a. 在荷载效应的标准组合下,要求最大裂缝宽度的构件,受拉边缘混凝土与裂缝宽度相应的名义拉应力,按下表采用。
混凝土容许名义拉应力(N/mm2)
构件类别 | 裂缝宽度 (mm) | 混凝土强度等级 | |
C40 | ≥C50 | ||
连续梁、框架梁、偏心受压构件及一般构件 | 0.10 0.15 0.20 | 3.7 4.1 4.6 | 4.5 5.0 5.6 |
b. 上述表格中的容许名义拉应力尚应根据构件实际高度乘以下表规定的修正系数。
构件高度修正系数
构件高度(mm) | 400 | 600 | 800 | ≥1000 |
修正系数 | 1.0 | 0.9 | 0.8 | 0.7 |
2.6 普通钢筋计算
截面内力组合考虑次内力的影响,次内力分项系数有利时取1.0,不利时取1.2。
按受弯构件计算。
(1) 受弯钢筋计算
(2) 受剪钢筋计算
式中:
V ---设计剪力
Vcs---斜截面混凝土和箍筋的受剪承载力设计值;
Vp---由预应力所提高的构件受剪承载力设计值;
---截面混凝土受剪承载力系数;
3预应力各项验算
3.1极限承载力验算
(1) 抗弯承载力验算公式:
混凝土受压区高度按下列公式确定:
界限受压区高度xb按下列公式计算:
(i) 钢筋混凝土构件:
a. 对有屈服点的钢筋
b. 对无屈服点的钢筋
(ii) 预应力混凝土构件:
一级抗震:
二、三级抗震:
以上公式中fpy在无粘结时取:
有粘结时fpy按混凝土规范表4.2.3-2查取
(2) 抗剪承载力验算公式:(2010混凝土规范6.3.4条)
3.2正截面抗裂验算
3.3裂缝宽度计算
有粘结时:
无粘结时:
式中:
αcr---构件受力特征系数,钢筋混凝土受弯构件αcr=2.1;
预应力混凝土受弯构件αcr=1.7;
c---最外层纵向受拉钢筋外边缘至受拉区底边的距离(mm);
deq---受拉区纵向钢筋的等效直径;
ssk---按荷载标准组合计算的预应力混凝土构件纵向受拉钢筋的等效应力;
z---受拉区纵向非预应力钢筋和预应力钢筋合力点至截面受压区合力点的距离;
ep---混凝土法向预应力等于零时全部纵向预应力和非预应力钢筋的合力Np0的作用点至受拉区纵向预应力和非预应力钢筋合力点的距离;
Mcr---受弯构件的正截面开裂弯矩;
3.4长短期挠度计算
刚度计算公式:
当不出现裂缝时:
当出现裂缝时:
有粘结时:
无粘结时:
注意:求反拱时取,q =2.0
3.5预应力度验算
提供了两种预应力度的验算方法:
1)、按国家2010混凝土规范验算预应力度
在预应力混凝土框架梁中,采用预应力钢筋和非预应力钢筋混合配筋的方式,框架结构梁截面按下式
λ应≤1
注:对二、三级抗震等级的框架-剪力墙或框架-核心筒结构中的后张有粘结预应力混凝土框架,右端项系数1/3可改为1/4。
2)、按上海规程(DBJ08-69-97)验算预应力度
在预应力混凝土构件中,采用如下的公式计算预应力度:
受弯构件
轴拉构件
式中 ——消压弯矩;
——使用荷载短期组合作用下控制截面的弯矩;
——消压轴力;
——使用荷载短期组合作用下的轴向拉力。
4施工阶段验算
施工阶段验算分为两种阶段,第一施工阶段为外荷载极端小而预应力荷载最大的情况,第二施工阶段为外荷最大的情况。目前版本中只有二维部分有施工阶段验算。
第一施工阶段(在预加力,自重及施工荷载恒载作用下)抗裂验算需满足:
对预拉区允许出现拉应力的构件或预压时全截面受压的构件
或
2.第二施工阶段(在预加力,施工恒、活载荷载作用下)抗裂验算需满足:
对预拉区允许出现拉应力的构件或预压时全截面受压的构件
或
3.强度验算需满足:
4.程序只对施工阶段的抗裂作了验算,验算结果可查看结果输出文件,
即(文件名.OUT)
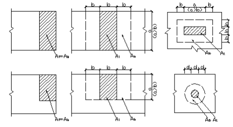
5局部受压承载力计算的技术条件
配置间接钢筋的混凝土结构构件,其局部受压区的截面尺寸应符合下列
要求:
式中——局部受压面上作用的局部荷载或局部压力设计值;
对后张法预应力混凝土构件中的锚头局压区的压力设计值,应取1.2倍张拉控制力;
——混凝土轴心抗压强度设计值;在后张法预应力混凝土构件的张拉阶段验算中,应根据相应阶段的混凝土立方体抗压强度
值按2010混凝土规范表4.1.4的规定以线性内插法确定;
——混凝土强度影响系数:当混凝土强度等级不超过C50时,取;
=1.0;当混凝土强度等级为C80时,取
=0.8;其间按线性内插法确定;
——混凝土局部受压时的强度提高系数;
——混凝土局部受压面积;
——混凝土局部受压净面积;对后张法构件,应在混凝土局部受压面积中扣除孔道、凹槽部分的面积;
——局部受压的计算底面积,可由局部受压面积与计算底面积按同心、对称的原则确定;对常用情况,可按图2取用。
图2局部受压的计算底面积
2. 当配置方格网式或螺旋式间接钢筋且其核心面积时,如图3所示,局部受压承载力应符合下列规定:
当为方格网式配筋时,其体积配筋率应按下列公式计算:
此时,钢筋网两个方向上单位长度内钢筋截面面积的比值不宜大于1.5。
当为螺旋式配筋时,其体积配筋率应按下列公式计算:
式中,——配置间接钢筋的局部受压承载力提高系数,按下列公式计算:
当时,应取
;
——钢筋抗拉强度设计值,按2010混凝土规范表4.2.3-1采用;
——间接钢筋对混凝土约束的折减系数:当混凝土强度等级不超过C50时,取1.0,当混凝土强度等级为C80时,取0.85,其间按线性内插法确定;
—方格网式或螺旋式间接钢筋内表面范围内的混凝土核心面积,其重心应与
的重心重合,计算中仍按同心、对称的原则取值;
——间接钢筋的体积配筋率(核心面积
范围内单位混凝土体积所含间接钢筋的体积);
——方格网沿
方向的钢筋根数、单根钢筋的截面面积;
——方格网沿
方向的钢筋根数、单根钢筋的截面面积;
——单根螺旋式间接钢筋的截面面积;
——螺旋式间接钢筋内表面范围内的混凝土截面直径;
——方格网式或螺旋式间接钢筋的间距,宜取30~80mm。
图3局部受压区的间接钢筋
6关于梁预应力筋线型布置的说明
1.在平面交互输入或框架交互输入中,程序将根据梁上承受的荷载状况,为用户设计出预应力筋的初始线型,目前程序是把梁上荷载都转成等效的均布荷载,初始线型均为抛物线型。如用户对自动设计的线型不满意或截面应力计算不满足要求,可在交互输入过程中作修改。
2. 预应力筋线型设计的基本原则是预应力产生的综合弯矩与外荷载产生的准永久组合、标准组合弯矩相吻合。一般来讲,若梁上只作用有均布荷载,且为两端与柱刚性连接,则可将线型设计为四段抛物线,端跨有时也可选三段抛物线,若梁的跨度较大,则可选择直线型与抛物线型的复合线型。若两端为铰接,则可选两段抛物线型。若梁跨范围内作用有较大的集中荷载,则宜选择折线型,折点一般取在集中荷载作用点处。若梁上作用的荷载情况较复杂,则可进行多种线型的组合,如抛物线型加直线型,抛物线型加折线型等。
3.程序在根据用户设定的线型计算预应力筋根数时,对每一根由同一根预应力筋连接的连续梁的13个断面(二维)或9个断面(三维)都进行了截面开裂校核,每个断面必须满足以下截面抗裂验算条件:
标准组合
准永久组合
如在某跨梁内某一截面为满足以上四式,需要较大的张拉控制力,导致同跨内或其它跨内的其它截面产生的预应力应力过大,而使开裂验算达不到要求,则程序会提示线型设计不合理,此时请用户根据提示或工程经验对线型作修改,直至所有截面都满足抗裂验算的要求。一般地说,将某跨梁抛物线型中的第一、二反弯点位置向支座移动,可使支座预应力综合弯矩加大,跨中预应力综合弯矩减小,零弯矩点(弯矩变号点)向支座略微移动一点。用户可根据具体情况,选择修改线型参数或增加线型来解决此类问题。如果在多跨梁中的某一跨或几跨需要较大的张拉控制力,导致其它跨产生过大的预应力,此时最简单的方法是减小预应力过大的跨的线型矢高(即增加线型与梁底面或顶面的距离)。用户也可采用在需要较大预应力的跨内增加线型的方式来解决此类问题。
4. 程序在初选预应力筋时,截面的几何特性(面积、惯性矩、截面抵抗矩)都为毛截面,在验算时则取为换算截面的几何特性。
第三章PREC软件三维设计操作步骤说明
1 概 述
PREC程序主菜单分为两大模块,PREC1用于三维结构体系,PREC2用于二维框架连续梁计算模型。
三维结构体系的预应力筋交互输入必须在PMCAD完成结构模型输入和荷载输入之后进行。PREC1模块在PKPM中的位置如图4所示
图4PREC1主界面
进入PREC1模块之后,其主菜单如图5所示。PREC1共包含“设计模型前处理”、“分析模型及计算”、“预应力布置及计算”、“计算结果”和“预应力计算结果”五项菜单。其中“设计模型前处理”、“分析模型及计算”和“计算结果”这三项菜单与SATWE的菜单基本相同,“预应力布置及计算”和“预应力计算结果”是预应力特有的菜单。
图5PREC1主菜单
典型的PREC1模块操作流程如图6所示,可以分为6个步骤。
1、PM建立模型。
2、设计模型前处理。包括SATWE的一些参数定义。
3、分析模型及计算。执行SATWE的计算分析程序,并且会生成PREC-3D计算所需的恒、活等工况下的构件内力。
4、预应力布置及计算。主要是执行预应力筋的布置和计算。
5、预应力计算结果。查看预应力的计算结果和验算结果等。
6、计算结果。查看SATWE的计算结果,包括配筋等。
图6PREC1模块操作流程
整个三维预应力计算分析的主要流程如图7所示。
图7三维预应力计算分析流程图
2 预应力布置及计算
执行该菜单项可为整个结构交互输入预应力结构计算所需的信息,如图8所示。包括设定预应力计算所需的参数,指定需要布置预应力筋的梁,定义和修改梁的预应力筋线型,定义和修改张拉端的信息,定义和修改各预应力梁的抗裂等级等信息,开始计算和修改预应力筋等。
图8预应力布置及计算菜单
运行本菜单需完成PMCAD的建模与荷载输入。
2.1 打开模型
进入“预应力布置及计算”菜单后,需要先打开一个模型。点取“打开模型”菜单后,首先要求用户输入工程预应力信息文件名,注意该文件名不是指PMCAD交互输入时的文件名,新建工程应输入一个与PMCAD交互输入时不同的文件名,旧工程则直接读取预应力信息文件(*.PRE),如图9所示。
图9预应力信息文件名
2.2 预应力筋参数设置
为作预应力结构计算所需的一些参数,共有4项,其含义见第四章的内容。
2.3 线型定义
点取“线型定义”菜单之后,弹出左侧停靠对话框,如图10所示。交互输入各种标准线型,并布置在各楼层梁上,也可进行修改及删除。还可把已布好的线型从一根连续梁拷贝到其它线型布置相同的连续梁上。线型定义中共有八种线型供选择,程序自动生成的线型基本可以满足使用阶段荷载的平衡荷载要求,如计算不满足时可在此作修改。“查询修改”可在屏幕上点取任一布有预应力筋的梁,屏幕弹出该梁的线型参数及示意简图,可以很直观地查看梁的线型形状并可方便地进行修改。用户也可以将标准线型存放在用户的线型库中,作下一工程时可直接调用。
图10线型定义
(1) 线型定义
可定义各标准线型,屏幕显示如图11所示内容:
图11预应力线型定义界面
曲线形式及参数意义如下:
(1) 四段抛物线型
线型代号 1,参数 A,B,C,XL1/AL,XL2/AL,XL3/AL
(2) 三段折线型
线型代号 2,参数 A,B,C,XL1/AL,XL2/AL
(3) 两段折线型
线型代号 3,参数 A,B,C,XL1/AL
(4) 直线型
线型代号 4,参数 A,B
(5) 三段抛物线型1
线型代号 5,参数 A,B,C,0.0,XL2/AL,XL3/AL
(6) 三段抛物线型2
线型代号 6,参数 A,B,C,XL1/AL,0.0, XL3/AL
(7) 两段抛物线型
线型代号 7,参数 A,B,C,0.0,0.0, XL3/AL
(8) 复合线型1(三段直线+四段抛物线)
线型代号 8,参数 A,B,C,XL1/AL,XL2/AL, XL3/AL,
XL4/AL,XL5/AL, XL6/AL
提示:①、⑤、⑥、⑦等四种抛物线型预应力束适合于承受均布荷载的预应力梁,而①、⑦适合于单跨或多跨的跨中,⑤适合于多跨的左边跨,⑥适合于多跨的右边跨,反弯点的位置一般取为(0.1~0.2)l ;②、③两种折线型预应力束适合于承受集中荷载的预应力梁,转折点位置一般取为(1/4~1/3)l;④种直线型预应力束则适合于布置在多跨梁的端跨和悬臂梁情况,⑧种线型适合于超长的单跨梁。
(2) 线型布置
将定义好的各标准线型布置在各楼层需要施加预应力的梁上,每根梁最多可以布置2种不同的预应力线型。其操作过程为,首先选取需要的线型,确定后,再选择需要布置该种线型的框架梁即可。
提示:通常梁上预应力线型的选择要根据梁上荷载的形式选择,如果均布荷载占主要比重,则布置抛物线型的预应力束;如果集中荷载占主要比重,则选择折线型的预应力束;否则,需要同时布置抛物线和折线型的预应力束。
技巧提示:在实际工程中通常需要将以上多种线型组合布置,以适合预应力梁的受力特点。例如,
1. 正反抛物线组合布置通常用于支座弯矩与跨中弯矩基本相等的单跨和多跨的中间跨框架梁;
2. 而直线与抛物线相切布置宜用于支座弯矩较小的单跨框架梁或多跨框架梁的边跨梁外端,其优点是可减少框架梁跨中及内支座处的摩擦损失;
3. 折线形布置宜用于集中荷载作用下的框架梁或开洞梁,其优点是可使预应力引起的等效荷载直接抵消部分垂直荷载和方便在梁腹中开洞。但是不宜用于三跨以上的预应力混凝土框架梁,因为较多的折角使预应力钢筋穿筋施工困难,而且中间跨跨中处由于摩擦引起的预应力损失也较大;
4. 正反抛物线与直线混合布置适用于需要减小边柱弯矩的情况。梁内除布置有正反抛物线形的预应力钢筋外,还配有直线形的预应力钢筋,这种混合布置方式可使预应力钢筋产生的次弯矩对边柱造成有利的影响;
5. 在荷载作用下若梁端弯矩比跨中弯矩大得多,可采用梁端加腋的方式解决;
6. 如果屋面梁的梁端弯矩比跨中弯矩小很多时,则可采用结构找坡,以增加梁跨中截面的高度使成为变截面梁;或在梁端处的预应力筋满足抵抗负弯矩的前提下,使预应力筋整体下移或将一部分预应力筋下移,以增加跨中截面预应力的力臂;
7. 等双跨或三跨预应力混凝土框架,在垂直荷载作用下,由于内支座截面处的弯矩比跨中截面及边支座截面处的弯矩明显大得多,因此此截面是抗裂与受弯承载力的控制截面,在设计中可在中支座处进行加腋,以提高此截面处的承载能力及抗裂能力。
注意:在预应力梁上组合布置预应力筋时,要注意使相邻两跨梁上的预应力筋线型保持连续,即各段线型在连接处的矢高要相同。
(3)查询修改
查询或修改某梁的预应力筋线型参数,例如当预应力梁的抗裂不满足时,可调整预应力束反弯点的位置,左右和跨中的线型矢高等。
(4) 连梁拷贝
某连梁上布置好的线型可任意拷贝到其他连梁上。首先选择需要被拷贝的连梁(源梁),再选择多个需要拷贝线型数据的连梁(目标梁),确认后即可将源梁上的线型数据复制到目标梁上。
(5) 线型拉通
使一种线型拉通布置在连续几跨上。例如在一根大梁可能被另一方向的大梁或次梁打断为多跨,软件默认的布置方式如下图所示:
这可能并不适合该大梁的受力特点,或从施工角度不便于预应力筋的布置,所以往往需要对以上的预应力筋做〔线型拉通〕操作,拉通后的线型如下图所示:
提示:用户在进行该操作时,最好以从左到右或从下到上的顺序依次拾取连梁的各段小梁,确认后将以最左或最下的梁段上的预应力筋线型拉通至整个连梁。
(6) 线型打断
线型拉通的反向操作。
(7) 线型分配
对布置有两种以上线型的预应力梁,需用户指定每种线型的根数在总根数中所占的比例,隐含为等比例分配。这一般要根据梁上荷载的分布情况进行指定。
(8) 线型取消
线型定义的反向操作,将已定义的标准线型从标准线型库中删除,同时布置有该种线型的梁上也自动删除该种线型。
(9) 删除布置
线型布置的反向操作,删除梁上已布置的预应力筋束型。
(10) 快速删除
删除梁上已布置的预应力筋束型,当一根梁上布置有多种线型时,用该命令可一次全部删除,删除布置则需确认要删除的种类。
2.4线型张拉
点取“张拉定义”菜单之后,弹出左侧停靠对话框,如图12所示。预应力连续梁的张拉端、固定端位置一般在连续梁两端设置,通过该菜单还可对多跨长连续梁作分段张拉设置,预应力梁的张拉方式也可以不同。要对多跨梁进行分段张拉时,需要在偏离梁中间支座一定距离处添加张拉端。例如可做梁顶开斜槽、梁侧开斜槽张拉等张拉方式。
图12张拉定义
张拉显隐
显示预应力连续梁张拉端,固定端的设置情况,张拉端用三角形表示,固定端用矩形表示。
张拉修改
用光标点取任意一根预应力梁,屏幕弹出图13所示界面以修改该预应力连续梁的张拉方式(左端张拉,右端张拉,两端张拉)和张拉端水平段的长度,用户根据实际情况,可对此作修改。
图13修改预应力筋张拉方式
加张拉端
对多跨长连续梁作分段张拉设置,可在连续梁节点处的任意位置加张拉端。用光标点取靠近要设张拉点的梁的一端,设置有关张拉端的信息后即可在梁顶或梁端加设一个张拉端,如图14所示。
图14张拉端信息
提示:对跨度很长的多跨连续预应力大梁,当采用两端张拉时,在预应力连续梁的中间位置可能会产生较大的预应力摩擦损失,导致不能在预应力连续梁中施加有效的预加力,梁的裂缝开裂较大,不能满足抗裂要求,此时则需要在预应力连续梁的中部梁段的梁端添加张拉端,以减少连续梁中部的摩擦损失,增加预应力连续梁的有效预加力,减小裂缝,达到控制开裂的目的。
去张拉端
加张拉端的反向操作。
2.5信息修改
总信息中包含的各项计算参数对整个结构均有效,此菜单可修改个别梁的特殊计算参数,每根预应力连续梁可设为有粘结或无粘结两种,可设定不同的预应力抗裂等级,裂缝控制宽度,张拉工艺等参数,如图15所示。
图15定义某根预应力大梁的预应力计算参数
2.6查询显示
点取“查询显示”菜单之后,弹出左侧停靠对话框,如图16所示,可方便地了解结构布置的各种信息。
图16查询显示
线型显示
布置有预应力筋的梁标准线型号显示开关,该型号为已定义的标准线型的序号;显示后再次点击该菜单即可关闭线型显示。
分配查询
对布置有两种以上线型的梁,查询并可修改每种线型的根数在总根数中所占的比例。
连梁显示
预应力连续梁编号及跨号显示开关,例如##-××中的##表示该预应力大梁的连梁号,××表示该小段梁所在的跨号。
注意:该连梁编号对所有的预应力梁和非预应力梁均做了编号,而在计算书中的连梁编号则仅对预应力大梁进行了编号,所以计算书中的连梁编号要通过其小段梁的PM梁编号对应到平面上的相应位置上。PM梁号可通过后面的菜单查询。
截面显示
显示各PM梁截面的数据,例如T600×1200。
PM 梁号
显示梁在PM建模中生成的梁编号。
技巧:图中显示的PM梁编号往往字体较大,且会重叠在一起以至于无法看清梁编号。此时可通过右下角的“字体增大”、“字体减小”按钮进行修改。
系数显示
该菜单用于显示预应力大梁的裂缝抗裂等级(LFDJ)和裂缝的限制宽度(Wmax,mm)。
其它信息
显示预应力筋的张拉工艺、松弛级别和粘结类型。
定位PM梁
用于根据编号定位PM梁
2.7 保存模型
该功能用于保存模型数据。
2.8 开始计算
预应力筋线型布置完成之后,点击该菜单进行计算。程序根据抗裂要求初步估算预应力筋用量,估算方法采用本书第二章第二节“5”提供的方法,预应力筋用量确定后,程序为用户提供了修改预应力筋用量的交互界面。
**请用户注意,由于程序自动估算的预应力筋用量可能偏大,请设计人员一定要自己调整到合适的用量。**
如果用户上次已经修改过某构件的预应力钢筋,程序将弹出如图17所示对话框供用户选择是否保留或保留哪些层的修改结果。
图17预应力筋获取方式
如果该结构已经作过该项计算,则程序会在运行过程中提示用户是否保留已确认修改好的预应力筋用量。
2.9 修改钢筋
点取“修改钢筋”菜单之后,弹出左侧停靠对话框,如图18所示。
图18修改钢筋
(1) 修改钢筋,修改根数
用于修改预应力梁上的预应力筋的根数。注意,修改预应力筋根数之后程序不会自动计算当前预应力筋的等效荷载,需要再次执行“开始计算”来计算等效荷载。
(2) 相同拷贝
用于预应力梁之间预应力筋根数的复制,可以把一个预应力梁上所有的预应力筋复制到另外一个预应力梁上,而这根预应力梁上的原有预应力筋将被覆盖。
(3) 统一修改
统一修改整个楼层的预应力筋根数。
(4)等效荷载
屏幕显示各层的计算预应力筋对应的张拉控制力作用下的等效荷载简图,该等效荷载是以分层加载的方式计算的。并生成可用作三维分析计算的单根预应力筋等效荷载文件PLOD1.PRE和计算预应力筋等效荷载文件PLOD2.PRE。
等效荷载文本输出文件PLOD1.PRE数据格式如下:
N_max_Floor : 等效荷载作用的最高层号。
等效荷载数据从底层到顶层逐层书写,每层等效荷载信息包括如下两部分:
1、Nload, Mload
Nload----本层加载总数
Mload----与前层相比,不同的加载次数
2、从1到Mload循环书写,若Mload=0,则不写此部分数据。每次加载有10个参数。
NO,NE,KP,IM,X1,X2,X3,X4,X5,X6
NO---加载序号
NE---加载构件号(梁,柱,节点号均为PM编号)
KP---加载类别号,详见SATWE说明书,附录B。
IM---为荷载属性参数,此处规定IM=0,表示将预应力等效荷载作为恒载施加到梁上的。
X1,X2,X3,X4,X5,X6---为加载参数,详见SATWE说明书,附录B。
(11类节点荷载略有不同:X1—X6分别为Fv,Mx,My,Fx,Fy,Mz)
生成的等效荷载图如图19所示,对等效荷载图的说明如下:
图中Pn为竖向节点力,用紫色圆点表示;Vx,Vy为水平节点力,用红色单箭头表示;Mx,My为节点弯矩,用黄色的双箭头表示。其正负号与坐标轴的正负方向相一致(符合右手螺旋法则)。
图19预应力等效荷载图
3 预应力计算结果
3.1 计算结果
点取“计算结果”菜单之后,弹出左侧停靠对话框,如图20所示,根据左侧树形菜单的提示,用户可以查看相应的计算结果。
图20计算结果
其中“三维计算结果文本文件”文本输出结果说明:(文件名WPC*.OUT,*代表层号)
(1)层号Storey No.= *
(2)梁号Beam No.=(**注意:所有输出的梁号均为PM梁号**)
(3)荷载准永久组合、标准组合弯矩值 MQ,MK
(4) 预应力综合弯矩 Mp
(5) 预应力主弯矩 M1
(6) 预应力次弯矩 M2
(7) 预应力梁综合轴力 NP
(8) 各连梁各跨的预应力计算输出结果
Ncon* --- 第*种线型的预应力张拉控制力 (KN)
Ncable --- 预应力筋根数
Ap --- 预应力筋截面面积 (mm2)
SIGC --- 预应力张拉控制应力 SIGC=Ncon/AP (N/mm2)
ALFA --- 张拉控制应力系数scon/fptk
LS1 --- 锚具回缩损失sL1(KN)
LS2 --- 预应力摩擦损失值 (KN)
LS4 --- 预应力松弛损失sL4(KN)
LS5 --- 混凝土收缩、徐变引起的预应力损失sL5(KN)
TLS --- 预应力总损失值 (KN)
Npe --- 有效预加力值 Npe=Ncon-Tloss´Ap (KN)
NpeA --- 梁有效预加力平均值 (KN)
以上为第*种线型的预应力各项计算结果输出
以下为该梁的截面应力输出结果说明:
SQT --- 梁顶纤维准永久荷载组合应力 (N/mm2)
SKT --- 梁顶纤维标准荷载组合应力 (N/mm2)
SPT --- 梁顶纤维预应力荷载应力 (N/mm2)
TQT --- TQT=SQT+SPT (N/mm2)
IcrT --- 为0或1,0表示抗裂计算满足要求,1表示不满足要求
TKT --- TKT=SKT+SPT (N/mm2)
IcrT --- 为0或1,0表示抗裂计算满足要求,1表示不满足要求
SQB --- 梁底纤维准永久荷载组合应力 (N/mm2)
SKB --- 梁底纤维标准荷载组合应力 (N/mm2)
SPB --- 梁底纤维预应力荷载应力 (N/mm2)
TQB --- TQB=SQB+SPB (N/mm2)
IcrB --- 为0或1,0表示抗裂计算满足要求,1表示不满足要求
TKB --- TKB=SKB+SPB (N/mm2)
IcrB --- 为0或1,0表示抗裂计算满足要求,1表示不满足要求
3.2 连续梁验算结果
切换到预应力大梁所在的楼层,点取要画的梁后,程序自动读取配筋计算结果并对非预应力筋作自动选筋,同时也为用户提供了修改普通钢筋的交户修改工具,操作方式完全同PK软件,完成修改后可作各项验算,计算结果自动存入CHECK.OUT中,用户可另改文件名。验算内容包括:极限承载力验算,正截面抗裂验算(截面模量为换算截面模量),挠度计算,裂缝宽度计算。验算输出结果同二维程序,用户可参看PREC1三维设计模块的说明。
3.3 整层梁验算结果
切换到预应力大梁所在的楼层后即可查看验算结果
抗裂验算
标准组合抗裂验算如图21所示。其中绿线所示的应力=2.6MPa表示截面的容许应力,
的数值与前处理“参数设置”中的裂缝控制等级有关:
裂缝等级一级:
裂缝等级二级:
裂缝等级三级:的取值参照《无粘结预应力混凝土结构技术规程》附录A的计算方法。
黑色曲线所示数值的绝对值为标准组合下该梁每个截面的拉应力。这里负号表示梁的上边缘,正号表示梁的下边缘,而不是表示拉或压。
准永久组合的意义同标准组合。
图21抗裂验算结果图形
3.4 绘制施工图
采用类似SATWE接PK绘梁柱施工图的方式,选择预应力梁的数据及绘梁的施工图。绘三维预应力梁的施工图操作方法与二维绘梁的施工图相同,是在PK梁施工图基础上增加预应力筋绘制而完成的。
4 形成二维框架连续梁数据文件
如用户使用PMCAD进行了三维模型输入,但想使用PREC2进行二维预应力梁计算、设计,则可以使用“PK二维设计”的“PMCAD形成PK文件”,形成二维模型数据。然后进入PREC2主菜单的第一步,进行预应力计算。
第四章PREC软件二维设计操作步骤说明
1 概 述
PREC2模块在PKPM中的位置如图22所示
图22PREC2主界面
PREC2二维预应力混凝土设计软件为用户提供了多种建模的方法,用户可根据自己的需要分别选取不同的建模方法。各种建模方法的操作步骤如下所述:
【方法一】接力PM建模,再到二维预应力混凝土设计软件中补充输入预应力有关计算参数。执行“PMCAD形成PK文件”菜单,如图23所示,生成PK数据模型,再执行PREC2模块的“打开模型”菜单,在弹出的对话框中选择〔打开已有数据文件〕按钮,文件扩展名选择〔空间建模形成的平面框架文件(PK-*)〕,其中*代表平面框架所在的轴线名,如果未命名则默认为1、2、3等;这时文件打开对话框会列出所有以“PK-”开头的文件,此时要注意选择不带文件扩展名的数据文件,例如PK-01,如图24所示。最后再补充输入预应力的相关计算信息即可。
图23PMCAD形成PK文件
图24打开已有数据文件-平面框架文件
【方法二】接力PK建模,再到二维预应力混凝土设计软件中补充输入预应力有关计算参数。执行PK的建模功能生成PK数据模型,再执行PREC2模块的“打开模型”菜单,在弹出的对话框中选择〔打开已有数据文件〕按钮,文件扩展名选择〔所有文件(*.*)〕,此时文件打开对话框会列出工程目录中的所有文件,用户可能不容易很快地找需要的PK数据文件,此时可在〔文件名〕框中输入“*.sj”字符串并按回车[Enter]键,便可自动过滤出需要的PK数据文件,到此时要选择前面PK建模时用的数据文件名,例如SSS.sj,如图25所示。最后再补充输入预应力的相关计算信息即可。
图25打开已有数据文件-所有文件
【方法三】直接用二维预应力混凝土设计软件PREC2进行交互建模,包括建立网格,定义计算参数、杆件截面、荷载、预应力线型等,并布置杆件、荷载和预应力筋等,完成建模,形成的数据文件的扩展名为.JHP。再次进入修改时要选择〔打开已有交互文件〕按钮,打开已存在的交互数据文件,例如SSS.JHP,其流程如图26所示。
【方法四】用户也可采用手工填写数据文件的方式,按照说明书后面介绍的数据格式填写数据文件,其扩展名为.sjp,再用〔打开已有数据文件〕按钮打开手工填写好的数据文件。
图26 PREC2操作流程图
预应力计算包括:荷载标准组合、准永久组合内力计算,正常使用极限状态下荷载标准组合、准永久组合应力计算,预应力各项损失计算,自动选取预应力钢筋和普通钢筋。预应力各项验算包括开裂验算,挠度及裂缝计算,承载力极限状态下截面强度验算及施工阶段验算等内容。完成前面的建模和计算分析后即可采用梁柱分开画方式分别画出预应力梁柱的施工图。
图27所示的是PREC2的全部一级菜单,根据其具体功能,可以划分为4个大的功能区。第1功能区是建模部分,可以新建或编辑已有工程模型,其中包括预应力相关的信息定义和布置等。第2功能区是计算部分,用来生成计算数据和计算分析。第3功能区是结果查看部分,包括查看图形结果和文本结果等。第4功能区是施工图部分,用来绘制梁、柱的施工图。
图27 PREC2一级菜单
2 二维框架交互式图形输入
不从PM建模提取框架时,也可直接用本菜单创建一个框架、连续梁计算模型。本菜单的操作与PK的人机交互建模相同,主要补充了预应力菜单,用来生成预应力筋线型等信息。
2.1 参数设置
共有24项,其交互界面如图28所示。
图28预应力参数设置
2.2线型
三级菜单有:线型定义,线型布置,分配根数,线型拉通,线型打断,线型删除,修改线型,删除布置等
分配根数:该子菜单是二维模块特有的子菜单,选取该菜单后会出现如图29所示的四级子菜单项,包括〔设定根数〕、〔清零〕等子菜单:
图29预应力筋分配根数
设定根数:该菜单用于有经验的预应力工程设计人员手工指定预应力筋的根数和线型布置,点击该菜单并选择相应的预应力束后,会弹出如图30所示的对话框,在其中可以设置预应力梁上每种线型的根数,如果用户不手工指定预应力筋的根数则填零,软件会自动按照指定的分配系数,计算每种预应力筋的根数;如果指定根数,则分配系数不起作用,自动按照用户指定的根数进行后面预应力的各项验算。
清零:该菜单用于重新设定以前手工指定预应力根数的预应力梁为软件自动计算,分配系数默认为等比分配。
图30修改预应力钢筋数量、分配系数
注:线型定义、线型布置、线型拉通、线型打断、线型删除、修改线型、删除布置等未做特别说明的子菜单详见PREC三维设计部分的说明。
2.3 张拉
二级菜单有:显隐张拉,修改张拉,加张拉端,删张拉端等;
加张拉端:该菜单用于对预应力束过长的预应力筋添加张拉端,以减小摩擦损失,其界面如图31所示:
图31张拉端信息
注:对某连续的预应力筋添加张拉端后,软件会自动打断原来的预应力筋,并分别设置张拉端;注意水平段的长度要符合预应力混凝土抗震规程的要求,即要尽量把张拉端设置在梁端箍筋加密区之外,以减小对梁柱连接区的削弱,满足抗震设防上的强节点要求。
修改张拉:该子菜单用于设定某预应力束的张拉方式和张拉端水平预应力筋段的长度,其界面如图32所示:
图32张拉方式修改
以上各项未做特别说明的菜单的内容见PREC三维设计主菜单1的详细介绍。
2.4 参数修改
对布置有预应力筋的梁,用户可点取修改该梁的预应力计算参数,包括裂缝抗裂等级、裂缝宽度和梁活荷载准永久系数等,如图33所示。
图33预应力梁参数修改
2.5 施工恒载
作施工阶段验算使用的荷载,一般为本层结构自重荷载,注意程序中在施工阶段验算时,柱自重是程序自动考虑的,不需用户输入,其它构件的自重荷载则必须在此输入。
2.6 施工活载
施工活荷载,即为本层支撑的上部结构自重及施工活荷载。
2.7 张拉顺序
本程序可计算不同施工张拉顺序对预应力综合内力及次内力的影响。
如果要考虑施工张拉顺序则需要在“参数设置”菜单中的“其他计算参数”页选中“考虑预应力筋施工张拉顺序”项。其二级菜单有[设张拉序]、[改张拉序]。在[设张拉序]菜单中可以设定的张拉顺序包括“逐层浇注、逐层张拉”、“数层浇注、顺向张拉”和“数层浇注、逆向张拉”,填完相应参数确定后,可点取相应菜单项查看施工张拉顺序的模拟过程。其界面如图34所示。
图34施工模拟
“梁布置”菜单与PK有差异:梁截面定义增加几种类型,请查看下一节内容。
“节点荷载”输入为:
XM---节点弯矩(kN-m)
XN---节点垂直力(kN)
XQ---节点水平力(kN)
3 二维框架数据文件检查
PREC2的框架数据文件和PK的结构计算文件基本上一样,只是增加了预应力计算所需的基本数据,在荷载数据方面变动较少。数据文件名称是由用户指定的,一般不带扩展名或扩展名为*.SJP,用户可对该文件修改。
3.1 总信息(22+24个数)
版本号:KZ-----2004年规范版本:KZ=20620
2010新规范版本:KZ=20622
总信息分两部分,第一部分与PK完全相同,第二部分为与预应力计算相关的信息。
与PK相同部分的总信息,可参阅PK用户手册
总信息为22个数,见下表
NJ | NL | NB | KZ | NF | NEL | KLL | KW | KZDJ | IC | IC22 | IG |
IA | KAA | U1 | U2 | MOD | IGJ_GU | IBHC_Z | IBHC_L | XS_STRUC | JSCD |
|
|
(1) NJ:节点总数(包括约束节点数);
要计算吊车荷载时,NJ前加一负号,同时在八项左、右风载数据后输入吊车荷载数据;
(2) NL:柱子数;
(如NL前加一负号表示在恒载下柱抗压刚度不再加大,从而可考虑柱轴向变形的影响)
(3) NB:梁数;
(4) KZ:旧版本KZ=20620,
新版本KZ=20622,不应改动;
PREC2主菜单1可读取旧版本的数据文件,可将该数据文件自动转换为新版本的数据文件(文件名为*.SJP)
(5) NF:支座约束数;
(6) NEL:标准截面类型总数;
(7) KLL:活载计算信息,算为1,不算为0;
当有N组互斥活载时,KLL填1+N;
(8) KW:风荷载计算信息,算为1,不算为0;
(9) KZDJ:抗震等级,一、二、三、四级抗震等级分别填1,2,3,4。不计算地震时填5;
(10) IC:柱子混凝土强度等级,C20填20,C22填22,C25填25,C30填30,C40填40,以此类推。
(11) IC22:梁的混凝土强度等级,填法同柱。
(12) IG: 钢筋号,I级钢为1,II级钢为2,III级钢为3;
(13) IA:柱梁自重计算信息,要求计算柱自重填1,柱梁自重都计算填2,柱梁自重都不计算填0;注意该项对施工荷载不起作用。
(14) KAA:基础计算信息,算基础填1或2,不算填0;
KAA填2时,仍作基础计算,但在计算基础时不考虑有地震作用的组合内力。
(15) U1:梁支座负弯矩调幅系数;
(16) U2:梁截面惯性矩增大系数;
(17) MOD:打印输出格式信息;
MOD=0:仅输出各柱、梁控制组合内力与配筋,
MOD=1:除MOD=0内容外,还输出恒、活、风,地震各单项荷载下的内力;
MOD=2:除MOD=0内容外,还输出柱梁截面各种组合内力;
MOD=3:输出MOD=0,MOD=1,MOD=2时的全部内容;
当MOD在以上各情况下,计算结果均按幅宽为80列格式打印输出。不再按130列格式输出。
(18). IGJ_GU:梁柱箍筋钢筋号,Ⅰ级钢(HPB235)为1,Ⅱ级钢(HRB335)为2,Ⅲ级钢(HRB400 RRB400)为3,冷轧带肋550为11,HPB300为12,HRB500为13;
(19). IBHC_Z:柱保护层厚度,单位为米;
(20). IBHC_L:梁保护层厚度,单位为米;
(21). XS_STRUC:结构重要性系数;
(22). JSCD:旧版本:柱计算长度暂时无用;
注:
(1) 框架各柱的混凝土强度等级或梁的混凝土强度等级可以不相同。
当各柱的混凝土强度等级不同时,总信息第10项IC(柱混凝土强度等级)一项填0,在填完总信息的21个数之后,按柱编号顺序输入各柱原混凝土强度等级,C20填20,C25填C25,C30填30,C40填40,以此类推。
另外,也可在交互输入“改砼等级”菜单下修改。
(2) 计算梁端弯矩需要考虑支座宽度影响时,可以在弯矩调幅系数前面加一负号,程序自动对梁端弯矩按下式折减
式中Mmax,V分别为支座形心处的弯矩和剪力,B为支座宽度。
(3) 用户可直接输入荷载分项系数和组合系数,方法是:在总信息的12项IG(1或2)钢筋级别信息前加一负号,紧接其后写入如下系数(括号内为隐含值)
①DLXS 永久荷载对结构不利时的分项系数(1.2)
②HZXS 活载分项系数(1.4)
③WDXS 风载分项系数(1.4)
④EQXS 地震荷载分项系数(1.3)
⑤DCXS 吊车荷载分项系数(1.4)
⑥EDLD 考虑地震作用组合时,其它可变荷载的组合值系数(0.5)
⑦COXSL 活荷载组合系数(0.7)
⑧COXSW风荷载组合系数(0.6)
⑨COXSDC吊车荷载组合系数(0.7)
PREC部分的总信息,含义如下:
总信息为24个数,见下表
ALIVEB | ALIVEC | IPREK | FPTK | ISTE | AK | AU | MGT | MODE | ARFA |
|
|
|
|
|
|
|
|
|
|
AOT | ACC | COVER | ISYS | NUB | ICONS | IZZ | UN | RAMTA | IH_Amend |
|
|
|
|
|
|
|
|
|
|
ISH | EFFEP | LFKZFJ | WCMAX |
|
|
|
|
|
|
|
|
|
|
|
|
|
|
|
|
(1) ALIVEB:梁活荷载准永久值系数,隐含值为0.5,实际工程中请按荷载规范采用。
(2) ALIVEC:柱活荷载准永久值系数,隐含值为0.5。
(3) IPREK:预应力钢筋种类1-6,隐含值为1,
即Fs15.2钢绞线(1X7F5钢绞线)。
1---Fs15.2钢绞线(1X7F s 15.2钢绞线)
2---Fs12.7钢绞线(1X7F s 12.7钢绞线)
3--- Fp5钢丝
4--- Fp4钢丝
5---Fs11.1钢绞线
6---Fs9.5钢绞线
(4) FPTK:预应力筋抗拉强度标准值(MPa),隐含值为1860 Mpa。
一般取值为:1470,1570,1670,1720,1770,1860
相应的设计值为:1040,1110,1180,1220,1250,1320
(5) ISTE:预应力筋松弛级别,隐含值为2,即低松弛。
1---普通松弛,又称I级松弛
2---低松弛,又称II级松弛
(6) AK:预应力筋壁(每米)局部偏差对摩擦的影响系数k,隐含值为0.004,实际工程中请按2010混凝土规范第10.2.4条表10.2.4采用或按《无粘结预应力混凝土结构技术规程》采用。
(7) AU:预应力筋与壁之间的摩擦系数m,隐含值为0.12,实际工程中请按2010混凝土规范第10.2.4条表10.2.4采用或按《无粘结预应力混凝土结构技术规程》采用。
(8) MGT:锚具类型,隐含值为1。
1---夹片式锚具(有预压时)回缩值 a=5mm
2---夹片式锚具(无预压时)回缩值 a=7mm
3---支承式锚具回缩值 a=1 mm
(9) MODE:张拉方式,隐含值为3。
1---左端张拉
2---右端张拉
3---两端张拉
(10) ARFA:张拉控制应力系数scon/fptk,隐含值为0.75。
(11) AOT:旧版本:是否超张拉。默认1,超张拉;0,一次张拉。
新版本:锚口摩擦损失占张拉控制力的百分比。
(12) ACC:张拉时混凝土强度与设计强度的比值,隐含值为0.9。
(13) COVER :预应力筋混凝土保护层厚度(mm),隐含值为50,程序计算中一般都取预应力筋实际矢高。
(14) ISYS:结构形式,隐含值为0。
0---框架
1---板柱体系等代框架
(15) NUB :有无粘结,隐含值为0。
0---无粘结
1---有粘结
(16) ICONS:施工阶段验算方式,隐含值为0。
0---不进行施工阶段验算
1---进行一托一的施工阶段验算。
(17) IZZ:预应力梁开裂计算是否考虑支座宽度,隐含值为0。
0---不考虑
1---考虑支座宽度
(18) UN:预应力梁轴力调整系数,隐含值为1。
(19)RAMTA: 锚具回缩值
(20) IH_Amend: 是否作构件高度修正;抗裂等级为三级,预选预应力筋时,在计算混凝土的名义拉应力时需根据构件的高度对名义拉应力进行修正,其取值可参照《无粘结预应力混凝土结构技术规程》。
(21) ISH: 选择使用上海预应力规程(DBJ08-69-97)是ISH(1),其它ISH=0;
(22) EFFEP:有效预应力系数;在估算预应力钢筋的面积时需计算有效预应力σpe,即σpe=Effep*fpk,其取值可参照规范中的相应取值,一般取0.5~0.58。
(23) LFKZDJ: 抗裂控制等级;
(24) WCMAX: 最大裂缝宽度限值;
注:
各梁、柱的活荷载准永久值系数 ALIVEB、ALIVEC可以不同
当各梁的活荷载准永久值系数不同时,ALIVEB一项填负,紧接其后,按梁编号顺序输入各梁的活荷载准永久值系数。
当各柱的活荷载准永久值系数不同时,ALIVEC一项填负,紧接其后,按柱编号顺序输入各柱的活荷载准永久值系数。
3.2节点坐标、杆件关联号及约束信息
(1) 节点座标
X座标 | Y座标 | 按节点编号依次编填写,共NJ×2个数 |
|
|
|
(2) 杆件关联号
先填柱子后填梁
JAN(I,1) | JAN(I,2) | 共NL×2个数 |
××× | ××× |
|
下端节点号 | 上端节点号 |
|
JAN(I,1) | JAN(I,2) | 共NB×2个数 |
××× | ××× |
|
左端节点号 | 右端节点号 |
|
(3) 约束信息(支座信息)
按约束节点编号顺序填写,每个约束处填约束节点号+111,共NF个数。
如约束节点为6,7,8,则此处填6111,7111,8111。
3.3 柱的计算长度系数(同PK)
3.4 上、下柱节点的偏心值(同PK)
3.5 柱、梁标准截面数据(单位:米)
(1) 标准截面数据
a. 矩形 Kind=1, B,H,M
截面宽度 B
截面高度 H
b. T形 Kind=10,B,H,BI,HI,M
截面宽度 B
截面高度 H
腹板厚度 BI
翼缘厚度 HI
c. 矩形加腋 Kind=4, B,H,HY1,ALY1,HY2,ALY2
截面宽度 B
截面高度 H
梁左端加腋突出部高 HY1
梁左端加腋部分高度 ALY1
梁左端加腋突出部高 HY2
梁左端加腋部分高度 ALY2
d. T形加腋 Kind=18,B,H,BI,HI,HY1,ALY1,HY2,ALY2
截面宽度 B
截面高度 H
腹板厚度 BI
翼缘厚度 HI
梁左端加腋突出部高 HY1
梁左端加腋部分高度 ALY1
梁左端加腋突出部高 HY2
梁左端加腋部分高度 ALY2
e. I形 Kind=16, B,H,B1,H1,B2,H2
腹板宽度 B
截面高度 H
下翼缘宽度 B1
下翼缘厚度 H1
上翼缘宽度 B2
上翼缘厚度 H2
f. 箱形 Kind=15,B,H,T1,T2
截面宽度 B
截面高度 H
截面壁厚 T1,T2
g. I形加腋 Kind=29, B,H,B1,H1,B2,H2,HY1,ALY1,HY2,ALY2
腹板宽度 B
截面高度 H
下翼缘宽度 B1
下翼缘厚度 H1
上翼缘宽度 B2
上翼缘厚度 H2
梁左端加腋突出部高 HY1
梁左端加腋部分高度 ALY1
梁左端加腋突出部高 HY2
梁左端加腋部分高度 ALY2
h. 箱形加腋 Kind=30,B,H,T1,T2,HY1,ALY1,HY2,ALY2
截面宽度 B
截面高度 H
截面壁厚 T1,T2
梁左端加腋突出部高 HY1
梁左端加腋部分高度 ALY1
梁左端加腋突出部高 HY2
梁左端加腋部分高度 ALY2
i. 十字形 IK=22,B,H,B1,B2,H1,H2
截面宽度 B,B1,B2
截面高度 H,H1,H2
(2) 按柱编号顺序输入每根柱子的标准截面类型号,铰接信息
(3) 按梁编号顺序输入每根梁的标准截面类型号,铰接信息
3.6 标准线型数据
将整个框架梁上布置的线型归纳为NCURVE类标准线型
(1) 首先输入标准线型类型总数NCURVE,每类标准线型按如下格式填写数据:(曲线图形请查看第三节的内容)
a. 四段抛物线型
Kind=1,参数 A,B,C,XL1/AL,XL2/AL,XL3/AL
b. 三段折线型
Kind=2,参数 A,B,C,XL1/AL,XL2/AL
c. 两段折线型
Kind=3,参数 A,B,C,XL1/AL
d. 直线型
Kind=4,参数 A,B
e. 三段抛物线型1
Kind=5,参数 A,B,C,XL2/AL,XL3/AL
f. 三段抛物线型2
Kind=6,参数 A,B,C,XL1/AL,XL3/AL
g. 两段抛物线型
Kind=7,参数 A,B,C,XL3/AL
h. 复合线型1(三段直线+四段抛物线)
Kind=8,参数 A,B,C,XL1/AL,XL2/AL, XL3/AL,
XL4/AL,XL5/AL, XL6/AL
(2) 输入各梁的标准线型号,分配系数,格式为:
梁号,标准线型号1,分配系数1,标准线型号2,分配系数2,
标准线型号3,分配系数3,标准线型号4,分配系数4,
标准线型号5,分配系数5
最后以0表示结束
注:每根梁可布置5种不同的线型,分配系数为各线型在总的预应力根数中所占的比例,分配系数1--5之和应等于1。如标准线型号为0,分配系数也应等于0,每根预应力梁都必需填够以上11个数。各预应力梁线型数据填写完后,最后以0表示结束。
新版本KZ=20620时填写以下(3),(4),(5)数据:
(3) 预应力梁的拉通信息,其数据格式为:
梁号,第1-5种预应力筋的拉通信息,
其中预应力筋的拉通信息=-(I×1000+J×10+K),I、J为该梁上的该种预筋与第I号梁上的第J种标准线型拉通,K表示该预应力梁上布置的预筋的序号。例如,-4031表示该处的预应力筋与4号梁上的第1号预筋(其标准线型号为3)拉通。
(4) 预应力梁张拉端和锚固端信息,其数据格式为:
预应力筋束数
预筋的束号,左端所在梁编号,右端所在梁编号,左端预筋到梁顶端的距离,右端预筋到梁顶端的距离,张拉方式(1-左端张拉、2-右端张拉、3-两端张拉)
注:以上(3),(4)数据在运行PREC2菜单1后,程序可自动生成,一般情况下不需用户修改。
(5) 梁翼缘高度信息
按梁编号顺序输入每根梁的左右翼缘厚度,单位为米。
3.7 荷载输入的规定(单位:千牛米,千牛,米)
荷载均应输入荷载标准值
(1) 荷载按下面顺序输入
地震:仅输地震参数和附加重量
(2)节点荷载
规定两种:弯矩,垂直力↓(箭头方向为正),水平力® (箭头方向为正)
恒、活载时,节点荷载输弯矩,垂直力↓,水平力®;
风载时,节点荷载输水平力→和垂直力↓两个数。
(3)柱间荷载
规定如下类型
柱间弯矩可化为第5类荷载的迭加。
注意:柱荷载中没有第6类荷载。
当荷载类型 KL=1,9时,仅输入P值;
KL=2,3,4,7,8,10,11,12时,需输入P,X两个值;
KL=5时,则需输入P、X以及EX三个值,EX以柱轴线右边为正,左边为负
(4)梁间荷载
梁间载荷只在静载和活载时输入,规定有如下类型:
当KL=1时,只输入P值;
KL=2,3,4,6时,需输P,X两个值;
KL=9时,需输M,X,两个值,其中M为梁间力矩,X为力矩作用点到梁左端距离
KL=10时,填Q,X,X1;
KL=11时,填Q,Q1,X,X1。
(5)以上荷载其值的符号,均以图示为正,反之为负。
3.8 恒荷载标准值
节点荷载
JR | XM | XN | XQ |
相同节点荷载的节点号 X X X X X X X X 步长起始号终止号 | 节点弯矩 | 节点垂直力 | 节点水平力 |
柱间荷载
JC | KL | P | X | KX |
相同柱间荷载的柱子号 ×××××××× 步长起始号终止号 | 柱间 荷载 类别号 | 柱间荷载值 | 荷载距离 KL=1时 无此项 | 荷载与中心距离,仅KL=5时有此项 |
说明:
①节点荷载和柱间荷载分别按上面两表重复填完,并以0表示结束。(注意:0不能丢)
②若无节点荷载,只填一个0即可。
若无柱间荷载,亦只填一个0即可。
③若步长=1,则步长不用填上,若起始号与终止号相同,则起始号不用填上。(注意:步长、起始号均有时,起始号与终止号各占3位)。
如3004010表示4、7、10节点(步长为3,起始号为4,终止号10)4007表示4、5、6、7节点(步长为1,起始号为4,终止号为7),4表示节点4(步长1,起始号与终止号为4)。
④表9仅能表达柱间的一个荷载,若某柱的柱间荷载有n个,则按表9填写n次荷载。
梁间荷载
NE | LI | KL | Q | X |
|
梁上荷载 及跨度连 续相同的 连续数 | 梁上 荷载 个数 | 梁间 荷载 类型 | 梁间 荷载 值 | 力的作用点距离(KL=1无此项) | 即:KL,Q,X重复填LI次 |
说明:
①每根梁上均须填静载,若某根梁无静载,则NE填0;
②连续相同数NE系指梁的序号是连续无间隔,且梁的跨度、荷载值、类型、CosθSinθ都相同的根数,θ为梁与水平线夹角
注意:跨度不同或梁的斜率不同或梁的支座约束状态不同(左铰右固或左固右铰)的梁NE不可连续填。但可用加括号的简单填写方法。
3.9 活荷载标准值
当KLL=0时不填此项,直接填“9”项,活荷载的数据表格完全同恒荷载。
活荷载的梁间荷载也必须逐根填写,如某此梁的活载为0,则将NE填为0。有n根梁活载为0。则要填n个0。可用简化的数据输入方式填写,写成n(0)。
有互斥活荷载时,KLL>1,反复填写表8~10KLL次,第一次填相容活荷载,以后每次填一组互斥活荷载。
3.10 左、右风荷载标准值
当KW=0时不填此项,直接填“10”项。
PREC2交互输入中有‘自动布置’一项,可自动布置风荷载。
风荷载只有节点风载和柱间风载,无梁间荷载。左、右风载均按下面二表分别填写。
(1)节点荷载
JW | Q | N |
相同节点荷载的节点号 ×××××××× 步长起始号终止号 | 水平力→
| 垂直力↓ 注:此项在KZ=20620时填写 |
(2)柱间荷载
JW | KL | P | X |
相同柱间荷载的柱号 ×××××××× 步长起始号终止号 | 柱间荷载类型号 | 柱间荷载值 | 荷载距离 KL=1 无此项 |
说明:
①节点风载和柱间风载填完,均用0表示结束。
②无节点风载,则只填一个0即可。
无柱间风载,亦填一个0即可。
③步长为1时,步长部分不填写。
3.11 施工恒荷载标准值(即结构自重荷载标准值)
当ICONS=0时,此项不填,结构自重荷载的数据格式完全同恒荷载。注意程序中柱自重是程序自动计算的,梁自重或其它构件的自重则必须在此填写。
3.12 施工活荷载标准值
当ICONS=0时,此项不填,施工活荷载的数据格式完全同恒荷载。
3.13 吊车荷载数据(同PK)
3.14 地震计算参数(同PK)
NV | IB | IY | IW | INF | CC | IS | RATIO | SFC |
计算 振型数 | 地震 烈度 | 场地土 分类 | 附加重量的质点数 | 设计地震分组 | 周期折 减系数 | 地震力计算方式 | 阻尼比 注:KZ=20620填写 | 地震效应增大系数 |
3.15 基础计算参数(同PK)
NE | CN | V | T | Q | H | R | LL | D | IRZC | AMB | AMD |
连续相同数 | 附加墙重量 | 附加墙与柱中心距离 | 见图 | 基础埋深 | 基础高度 | 地基承载力标准值 | 基础类型号 | 天然地面至基底距离 | 基础混凝土强度等级 | 宽度修正系数 | 深度修正系数 |
3.16 全部数据输入完后,另起一行用字母END表示数据文件结束。
4 二维预应力框架连续梁计算及结果输出
4.1 首先进行内力分析,并完成预应力筋自动计算过程
输出文本文件格式基本同PK,与PK不同及增加的内容有:
a 梁非预应力筋结果输出
MB---梁下纤维受拉的弯矩
ASB---梁下纤维受拉钢筋
ASBC---与ASB对应的受压钢筋
CHOJ--- 超筋信息
MT---梁上纤维受拉的弯矩
AST---梁上纤维受拉钢筋
ASTC---与AST对应的受压钢筋
CHOJ---超筋信息
程序在梁的非预应力筋计算中考虑了双筋,计算中考虑了2010混凝土规范第6.2.7条及梁抗震设计对混凝土受压区高度的限值(第11.3.1条),若梁的受压区高度不满足要求时,程序会自动增加受压钢筋。计算完成选配梁上部非预应力筋时,程序自动取AST和ASBC中的较大值,选配梁下部非预应力筋时,程序自动取ASB和ASTC中的较大值。
超筋信息=0时,表示不超筋
超筋信息=1时,表示超筋
超筋信息=2时,表示超筋,但该截面不是控制断面,结果可使用。
超筋信息=3时,表示超筋,截面非预应力筋配筋率大于2.5%,建议用户此时应增大截面尺寸或采取其它措施。
b 增加的内容
(1) 荷载准永久组合、标准组合弯矩值
(2) 预应力等效荷载及等效荷载效应
(3) 预应力综合弯矩
(4) 预应力次弯矩
(5)预应力梁等效荷载作用下的轴力
(6) 各层各梁的预应力计算输出结果
Ncon* --- 第*种线型的预应力张拉控制力 (KN)
Ncable --- 预应力筋根数
Ap --- 预应力筋截面面积 (mm2)
SIGC --- 预应力张拉控制应力 SIGC=Ncon/AP (N/mm2)
ALFA --- 张拉控制应力系数scon/fptk
LS1 --- 锚具回缩损失sL1(KN)
LS2 --- 预应力摩擦损失值 (KN)
LS4 --- 预应力松弛损失sL4(KN)
LS5 --- 混凝土收缩、徐变引起的预应力损失sL5(KN)
TLS --- 预应力总损失值 (KN)
Npe --- 有效预加力值 Npe=Ncon-Tloss´Ap (KN)
NpeA --- 梁有效预加力平均值 (KN)
以上为第*种线型的预应力各项计算结果输出
以下为该梁的截面应力(SPT,SPB为各线型在截面上产生的总的应力)
SQT --- 梁顶纤维准永久组合荷载组合应力 (N/mm2)
SKT --- 梁顶纤维标准荷载组合应力 (N/mm2)
SPT --- 梁顶纤维预应力荷载应力 (N/mm2)
TQT --- TQT=SQT+SPT (N/mm2)
TKT --- TKT=SKT+SPT (N/mm2)
SQB --- 梁底纤维准永久荷载组合应力 (N/mm2)
SKB --- 梁底纤维标准荷载组合应力 (N/mm2)
SPB --- 梁底纤维预应力荷载应力 (N/mm2)
TQB --- TQB=SQB+SPB (N/mm2)
TKB --- TKB=SKB+SPB (N/mm2)
4.2 计算完成后的菜单
(1)计算结果图形显示
包括弯矩包络图,等效荷载简图,等效荷载弯矩图,次弯矩图等17项内容。
(2)钢筋自动选择及修改
自动选择柱、梁实配普通钢筋并可修改,修改预应力筋根数后自动重新计算。
(3)预应力各项验算
完成1,2项后可作验算,计算结果自动存入CHECK.OUT中,如图35所示,用户可另改文件名。验算内容包括:
①限承载力验算
文本文件输出结果为:
MT --- 梁顶纤维弯矩设计值(考虑了36种组合,并同时考虑了预应力次弯矩)
MUT --- 梁顶纤维受弯极限承载力
MUT/MT --- 受弯极限承载力与弯矩设计值之比
MCRT --- 梁顶纤维开裂弯矩
MUT/MCRT--- 受弯极限承载力与开裂弯矩之比
MB --- 梁底纤维弯矩设计值
MUB --- 梁底纤维受弯极限承载力
MUB/MB --- 受弯极限承载力与弯矩设计值之比
MCRB --- 梁底纤维开裂弯矩
MUB/MCRB--- 受弯极限承载力与开裂弯矩之比
V --- 剪力设计值(考虑了预应力次剪力)
Vu --- 受剪极限承载力
Vu/V --- 受剪极限承载力与剪力设计值之比
xo/ho ---混凝土受压区高度和有效截面高度比
ρs ---受拉区配筋率
ρc ---受压区配筋率
Ac/As ---受压区与受拉区配筋面积比
ρeq ---考虑预应力钢筋的等效配筋率
图35 CHECKOUT文件承载力验算
②正截面抗裂验算
文本文件输出结果为:
TQT --- TQT=SQT+SPT (N/mm2)
TQB --- TQB=SQB+SPB (N/mm2)
TKT --- TKT=SKT+SPT (N/mm2)
TKB --- TKB=SKB+SPB (N/mm2)
SQT=sqt --- 准永久荷载效应与预应力作用下砼截面顶纤维拉应力(拉为负)
SQB=sqb --- 准永久荷载效应与预应力作用下砼截面底纤维拉应力(拉为负)
SKT=skt --- 标准荷载效应与预应力作用下砼截面顶纤维拉应力(拉为负)
SKB=skb --- 标准荷载效应与预应力作用下砼截面底纤维拉应力(拉为负)
SPT=s pt--- 梁顶纤维预应力荷载应力 (N/mm2)
SPB=s pb --- 梁底纤维预应力荷载应力 (N/mm2)
NPE=Npe --- 有效预加力值
ζy1 =σpe/ fptk ---上海规程有效预应力系数
详细输出如图36所示
图36CHECKOUT正截面抗裂验算
施工阶段图形文件输出结果中:绿线为混凝土的极限抗压强度,黄线为混凝土的名义拉应力;兰线为施工阶段截面应力。
③裂缝宽度计算
文本文件输出结果如
图37所示。
程序还可根据需要输出裂缝宽度计算的详细过程。
图37CHECKOUT裂缝宽度计算
④长短期挠度计算
文本文件输出结果为:
DEFS:短期挠度值(已计入预应力反拱)
DEFL:长期挠度值(已计入预应力反拱)
DEFP:预应力反拱值
文本输出如所示
图38CHECKOUT长短期挠度计算
⑤预应力度验算
按消压弯矩和强度两种计算方法给出了验算结果。
Mo——消压弯矩;
Mk——使用荷载短期组合作用下控制截面的弯矩;
文本文件输出结果如图39所示:
图39CHECKOUT预应力度验算
(4)施工阶段验算
施工阶段验算包括两部分内容:
①施工阶段截面抗裂验算
②施工阶段承载力极限状态验算
目前程序只作了施工阶段截面的抗裂验算,施工阶段抗裂验算分为两种阶段,第一施工阶段为外荷载极端小而预应力荷载最大的情况,也即外荷载只考虑结构自重,第二施工阶段为外荷最大的情况,此时外荷载取本层结构自重荷载及施工活荷载进行第二施工阶段的验算。施工阶段对预应力的效应重新作了计算,等效荷载计算时仅考虑了混凝土预压前(第一批)的损失σl1及σl2,程序输出了详细的等效荷载计算结果。
各层各梁的施工阶段验算输出结果:
a.第一施工阶段抗裂验算
CT1 --- 梁顶纤维第一施工阶段荷载应力 (N/mm2)
SPT --- 梁顶纤维预应力荷载应力 (N/mm2)
TCT1 --- TCT1=CT1+SPT (N/mm2)
CB1 --- 梁底纤维第一施工阶段荷载应力 (N/mm2)
SPB --- 梁底纤维预应力荷载应力 (N/mm2)
TBT1 --- TBT1=CB1+SPB (N/mm2)
b. 第二施工阶段抗裂验算结果:
CT2 --- 梁顶纤维第二施工阶段荷载应力 (N/mm2)
SPT --- 梁顶纤维预应力荷载应力 (N/mm2)
TCT2 --- TCT2=CT2+SPT (N/mm2)
CB2 --- 梁底纤维第二施工阶段荷载应力 (N/mm2)
SPB --- 梁底纤维预应力荷载应力 (N/mm2)
TBT2 --- TBT2=CB2+SPB (N/mm2)
5 接二维计算画梁、柱施工图
采用梁柱分开画的方式分别绘制预应力梁和框架柱的施工图。操作方法与PK的梁柱施工图相同。施工图中可画出预应力梁立面图、预应力筋线型图、预应力筋定位图、各位置的剖面图和节点构造详图。在选择锚具后还可进行局部承压验算,并可给出预筋下料表。
以预应力框架梁为例说明操作步骤:
(1) 输入画施工图补充信息,一般采用人机交互方式输入,也可参照PK用户手册手工填写一个绘图补充数据文件,如图40所示。
图40绘图补充参数
(2) 程序显示框架梁或连续梁的立面图,输入要画的梁段数,分别用窗口选出要画的连续梁段并输入每段梁的名称。
(3) 布置图纸版面。
(4) 画出预应力梁施工图,立面图由三部分组成:梁的普通钢筋立面图,梁的预应力钢筋立面图,梁预应力筋束形图。剖面图上标注预应力筋的位置。钢筋表给出非预应力钢筋的规格、数量。用户可以对孔道数,孔道位置,每孔内的预应力筋根数作人工调整,也可根据施工要求调整预应力筋束形最大间距,如图41所示。
图41预应力孔道调整信息
(5)选择需要的锚具后,如图42所示,可画出预应力梁的节点详图。
图42锚具详图
(6) 选择需要的锚具后,可进行张拉端或锚固端局部承压验算,选择要验算的预应力梁(注意选择的梁必须为图上正在画施工图的梁),并填写相应的参数后,程序自动取出要进行局部承压验算的内力(可人工修改),如图43所示,文本文件输出局部承压验算的计算过程及结果,如图44所示。
现程序只支持XM型锚具和QM型锚具。
图43局部承压验算参数设置
图44局部承压验算结果文件
(7) 程序给出构造详图图库,用户可选择使用。构造详图分板和梁两部分。用于板的构造详图包括张拉端节点构造详图、锚固端节点构造详图和其它节点构造详图;用于梁的节点构造详图包括端部张拉端节点构造详图(内置式、外置式)、内部张拉端构造详图、锚固端节点构造详图和其它节点构造详图,如下图所示。
6 工具箱
为方便用户校核,我们提供了PREC计算工具箱,目前有两项功能,即受弯极限承载力计算及裂缝宽度计算,用户按程序要求输入计算条件,程序根据规范公式给出结果,并有详细的计算书输出。其界面如下:
第五章软件安装与运行环境
1、由于软件的配置原因,该版本暂不支持32位操作系统。
2、使用本软件时,需要同时配置齐PREC、PM和SATWE的加密锁。

QQ好友
新浪微博
微信扫一扫